氣動三通球閥
來源:上海茄子视频色版閥門科技有限公司 作者:茄子网站下载APP蝶閥球閥執行器廠家 點擊量:1286



品牌:上海茄子视频色版
驅動能源: 氣動執行器
型號: Q係列
標準: 國標
壓力環境: 常壓
加工定製: 是
產品用途: 石油、化工、電力、能源、船舶、冶金、建材、造紙、鍋爐設備
驅動能源: 氣動執行器
型號: Q係列
標準: 國標
壓力環境: 常壓
加工定製: 是
產品用途: 石油、化工、電力、能源、船舶、冶金、建材、造紙、鍋爐設備
聯係客服 13917586261

【產品概述】
氣動三通球閥是用於管道中介質換向、合流及分流的作用,主要由T型或L型三通球閥與氣動執行器連接組成,按連接方式不同可分為法蘭及內螺紋。氣動三通球閥是對兩條相互垂直的通道進行介質流向的切換或截斷,起到分配作用,而T型球閥不僅可對介質流向進行切換,還可以使三個通道互相連通或關閉其中任意一條通道,起到分流、合流作用。可根據工況需要,在氣動三通球閥執行器上加裝閥門定位器及其它相關配件,即可控製氣動球閥球芯的運轉,達到對管路中介質的自動化控製。
1、可選用不同連接形式,分為氣動法蘭三通球閥和氣動螺紋三通球閥,滿足不同使用工況。
2、密封效果極佳,采用軟密封四氟乙烯彈性變形可達到無泄漏密封。
3、一閥多用:可製成L型通口,也可製成T型通口,達到分配、合流、分流等功能。
4、氣動三通球閥安裝方便,可用任一通口作為介質的流通入口,並且無泄漏。
5、廣泛適用於環保、油品、冶金、蒸汽、能源、造紙、食品等管路係統中對介質進行流向改變或達到對介質分流或混合。
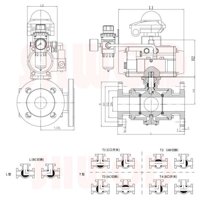
【外形尺寸】
【外形尺寸】

公稱通徑(DN) | 外形尺寸 | 連接尺寸 | ||||||||||
L | L1 | L2 | H1 | H2 | D | D1 | D2 | T | f | N-D | ||
15 | 155 | 172/185 | 85/95 | 65 | 90/100 | 95 | 65 | 45 | 16 | 2 | 4-14 | |
20 | 165 | 185/215 | 95/105 | 165 | 100/110 | 105 | 75 | 58 | 18 | 2 | 4-14 | |
25 | 181 | 185/215 | 95/105 | 68 | 100/110 | 115 | 85 | 68 | 18 | 2 | 4-14 | |
32 | 190 | 215/265 | 105/110 | 79 | 110/120 | 140 | 100 | 78 | 18 | 2 | 4-18 | |
40 | 212 | 265/270 | 110/125 | 85 | 120/142 | 150 | 110 | 88 | 18 | 2 | 4-18 | |
50 | 232 | 270/310 | 125/142 | 93 | 142/158 | 165 | 125 | 102 | 18 | 2 | 4-18 | |
65 | 290 | 310/400 | 142/160 | 121 | 158/178 | 185 | 145 | 122 | 18 | 2 | 8-18 | |
80 | 310 | 310/400 | 142/160 | 153 | 158/178 | 200 | 160 | 138 | 20 | 2 | 8-18 | |
100 | 350 | 400/465 | 160/178 | 171 | 178/200 | 220 | 180 | 158 | 20 | 2 | 8-18 |
【友情提示】上海茄子视频色版自動化儀表有限公司專業生產銷售各類茄子网站下载APP蝶閥、茄子网站下载APP球閥、茄子网站下载APP閘閥等茄子网站下载APP閥門、茄子网站下载APP執行器、茄子成人短视频執行器、茄子成人短视频閥門、氣動閥門,上海茄子视频色版秉承“誠信為本,客戶至上”的企業宗旨,專業為您提供規格型號齊全、質量穩定、價格合理的氣動三通球閥產品,歡迎前來谘詢報價。