茄子网站下载APP法蘭球閥
來源:上海茄子视频色版閥門科技有限公司 作者:茄子网站下载APP蝶閥球閥執行器廠家 點擊量:2972



驅動能源: 茄子网站下载APP執行器
型號: Q941F
標準: 國標
壓力環境: 常壓
加工定製: 是
產品用途: 石油、化工、電力、能源、船舶、冶金、建材、造紙、鍋爐設備
【產品概述】
茄子网站下载APP法蘭球閥是一種轉角90°旋轉類茄子网站下载APP球閥,密封性能優良,流通能力大,流阻係數小,結構簡單,維修方便,使用壽命長,閥體通道和連接管徑相等並成一直徑,介質幾乎可以毫無損失的流過,配用SQ執行機構,產品通常用於密封要求嚴格的場合,除控製氣體、液體、蒸汽介質外,還適宜控製水含有纖維雜質的介質,廣泛應用於石油、化工、冶金、輕工、造紙、電站、製冷等工作領域。
【性能特點】
1、流體阻力小,球閥是所有閥類中流體阻力最小的一種,即使是縮徑球閥,其流體阻力也相當小。
2、止推軸軸承減少閥杆摩擦力矩,可使閥杆長期操作平衡靈活。
3、閥座密封性能好,采用聚四氟乙烯等材料製成的密封圈,結構易於密封,而且球閥的密封能力隨著介質壓力的增大而增大。
4、閥杆密封可靠,由於閥杆隻作旋轉運動而不做升降運動,閥杆的填料密封不易破壞,且密封能力隨介質的壓力增設而增大。
5、由於聚四氟乙烯等材料具有良好的自潤滑性,與球體的摩擦損失小,球閥的使用壽命更長。
【產品參數】
公稱通徑DN(mm) | DN15~ DN250 |
公稱壓力 | PN1.0/1.6/2.5/4.0/6.4MPa |
適用介質 | 水、石油、硝酸類、醋酸類、粘性液體、漿料、強氧化性介質等 |
適用溫度 | -40C~+8℃(PTEE/PPL密封) -40℃~+350℃(金屬密封) |
泄漏量 | 符合ANSI B16 104標準 |
球體轉角 | 90° |
閥體材質 | WCB、304、316 |
閥座材料 | 聚四氟乙烯(常溫),特製PPL(高溫),金屬密封(高溫) |
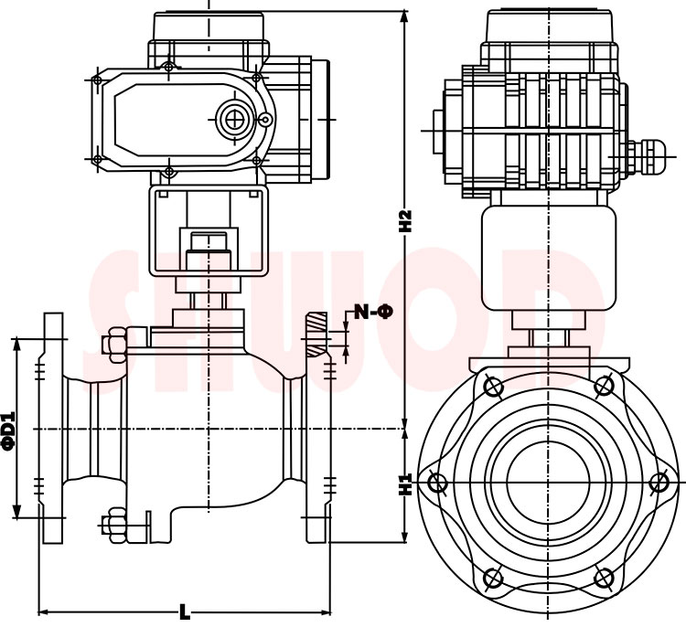
【外形尺寸】

規格 | 配置 | ΦD1 | H2 | H1 | L | N-Φ | |
mm | in | 1.0MPa | 1.0MPa | ||||
DN15 | 1/2” | SQ-05 | 65 | 177 | 48 | 130 | 4-Φ14 |
DN20 | 3/4” | 75 | 183 | 53 | 140 | ||
DN25 | 1” | 85 | 211 | 57 | 150 | ||
DN32 | 1 1/4” | 100 | 231 | 67 | 165 | 4-Φ18 | |
DN40 | 1 1/2” | SQ-10 | 110 | 276 | 77 | 180 | |
DN50 | 2” | 125 | 323 | 80 | 200 | ||
DN65 | 2 1/2” | SQ-20 | 145 | 365 | 90 | 220 | |
DN80 | 3” | 160 | 387 | 98 | 250 | 8-Φ18 | |
DN100 | 4” | SQ-60 | 180 | 423 | 107 | 280 | |
DN125 | 5” | SQ-100 | 210 | 448 | 122 | 320 | |
DN150 | 6” | 240 | 204 | 140 | 360 | 8-Φ23 | |
DN200 | 8” | SQ-200 | 295 | 553 | 177 | 400 | 12-Φ23 |
DN250 | 10” | 355 | 569 | 212 | 450 | 12-Φ25 |
【生產環境】
