雙法蘭氣動粉塵蝶閥
來源:上海茄子视频色版閥門科技有限公司 作者:茄子网站下载APP蝶閥球閥執行器廠家 點擊量:1443



品牌:上海茄子视频色版
驅動能源: 氣動執行器
型號: V1FS/V2FS
標準: 國標
壓力環境: 常壓
加工定製: 是
產品用途: 石油、化工、電力、能源、船舶、冶金、建材、造紙、鍋爐設備
驅動能源: 氣動執行器
型號: V1FS/V2FS
標準: 國標
壓力環境: 常壓
加工定製: 是
產品用途: 石油、化工、電力、能源、船舶、冶金、建材、造紙、鍋爐設備
聯係客服 13917586261
【產品概述】
雙法蘭氣動粉塵蝶閥專用水泥、粉塵、粉末等物料介質的場合,主要由閥體、密封座、閥板和氣動執行器組成,閥體橡膠密封圈形成的軟性密封,使其特別適用於磨損性強的物料。在需要重力落料或氣力輸送的粉體,顆粒物料處理係統中,雙法蘭氣動粉塵蝶閥常常被安裝在料鬥,筒倉,螺旋輸送機出口以及氣送管路上。
【技術參數】
【技術參數】
型號 Model | V2FS100 V2FS150 V2FS200 V2FS250 V2FS300 V2FS350 V2FS400 V2FS500 V2FS600 V1FS100 V1FS150 V1FS200 V1FS250 V1FS300 V1FS350 V1FS400 V1FS500 V1FS600 | ||||
工作壓力 working pressure | 0.4-0.7Mpa MAX1.0Mpa | ||||
驅動方式 Drive mode | 氣動、茄子网站下载APP、手動、渦輪傳動等 Pneumatic,electric,manual,wrom gear drive | ||||
適用溫度 Temperature | -20℃~+80℃ 其他溫度均有現貨 ALL other temperatures are in stock. | ||||
適用介質 Medium | 水泥物料等粉體介質 Cement,material powder medium | ||||
閥體 Body | 壓鑄鋁合金 die-casting aluminium | ||||
蝶板 Butterfly | 鋁合金、聚氨酯高分子複合、球墨鑄鐵、不鏽鋼 alumnium alloy,polyurethane polymer composite,ductile iron,stainless steel | ||||
閥杆 Stem | 2Cr13,45#,不鏽鋼 stainless steel | ||||
閥座 Seat | 耐磨橡膠 abrasive rubber | ||||
執行標準 Implementation standards | 設計規範 | 結構長度 | 法蘭尺寸 | 檢驗試驗 | 氣動裝置 |
Design specification | Structure length | Flange size | Inspection test | Pneumation device | |
ITALY | ITALY | ITALY | GB/T13927 | JB/T8864 |
【性能特點】
雙法蘭氣動粉塵蝶閥閥板中間為平板結構,閥杆設置在閥板的上下兩側並與閥板一體連接,密封座套接在閥板上,閥板兩側的閥杆穿過密封座的軸孔容置在閥體的軸孔內。氣動粉塵蝶閥由粉體板、丁晴密封圈,覆以耐磨高分子材料加工而成,半閥體為鋁合金材料,旋轉閥板采用高分子材料製作,專用於粉狀及顆粒狀物料處理。
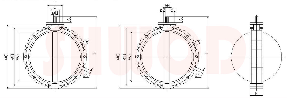
【外形尺寸】
【外形尺寸】

BV2F 氣動雙法蘭蝶閥 Double flanged butterfly valve | ||||||||||||
MODLE | ΦA | ΦB | ΦC | E | F | V | T | ΦH | G | ΦZ | ΦU | ΦN |
BV2F100 | 95 | 180 | 220 | 250 | 77 | 50 | 80 | 22 | 35 | M10 | M12 | 4-14 |
BV2F150 | 150 | 200 | 228 | 290 | 77 | 50 | 80 | 22 | 35 | M10 | M12 | 4-14 |
BV2F200 | 200 | 250 | 278 | 340 | 77 | 50 | 80 | 22 | 35 | M10 | M12 | 4-14 |
BV2F250 | 250 | 300 | 328 | 390 | 77 | 50 | 80 | 22 | 35 | M10 | M12 | 8-14 |
BV2F300 | 300 | 350 | 378 | 440 | 77 | 50 | 80 | 22 | 35 | M10 | M12 | 8-14 |
BV2F350 | 350 | 400 | 440 | 530 | 85 | 50 | 80 | 28 | 35 | M10 | M12 | 8-14 |
BV2F400 | 400 | 470 | 530 | 580 | 85 | 50 | 80 | 28 | 35 | M10 | M12 | 8-14 |
BV2F500 | 500 | 570 | 605 | 655 | 104 | 100 | 125 | 27*27 | 25 | M10 | M12 | 12-16 |
BV2F600 | 600 | 670 | 705 | 755 | 104 | 100 | 125 | 27*27 | 25 | M10 | M12 | 12-16 |
【友情提示】上海茄子视频色版自動化儀表有限公司專業生產銷售各類茄子网站下载APP蝶閥、茄子网站下载APP球閥、茄子网站下载APP閘閥等茄子网站下载APP閥門、茄子网站下载APP執行器、茄子成人短视频執行器、茄子成人短视频閥門、氣動閥門,上海茄子视频色版秉承“誠信為本,客戶至上”的企業宗旨,專業為您提供規格型號齊全、質量穩定、價格合理的雙法蘭氣動粉塵蝶閥產品,歡迎前來谘詢報價。
【生產環境】