氣動對夾蝶閥(不鏽鋼)
來源:上海茄子视频色版閥門科技有限公司 作者:茄子网站下载APP蝶閥球閥執行器廠家 點擊量:1352



品牌:上海茄子视频色版
驅動能源: 氣動執行器
型號: FDQ係列
標準: 國標
壓力環境: 常壓
加工定製: 是
產品用途: 石油、化工、電力、能源、船舶、冶金、建材、造紙、鍋爐設備
驅動能源: 氣動執行器
型號: FDQ係列
標準: 國標
壓力環境: 常壓
加工定製: 是
產品用途: 石油、化工、電力、能源、船舶、冶金、建材、造紙、鍋爐設備
聯係客服 13917586261

【產品概述】
氣動對夾蝶閥(不鏽鋼)材質為不鏽鋼,是指采用對夾的方式,將蝶閥夾在管道的兩端法蘭之間,然後用一組螺栓穿過螺栓孔固定起來。氣動對夾蝶閥的閥體體積小,閥體厚度相對比較薄,特別適合用在管道兩端距離偏短或空間有限的場合裏。氣動對夾蝶閥根據密封結構不同分為軟密封和硬密封,其中軟密封蝶閥為中線型結構,具有防腐蝕、零泄漏等優點,而硬密封氣動蝶閥為三偏心式,具有磨損少、使用壽命長等優點。
●密封性好、運動平穩、應用廣泛、經濟適用
●開啟靈活、工作穩定、流通性好、輕巧美觀
●結構簡單、緊湊,操作扭矩小,90°回轉開啟迅速
●小巧輕便,容易拆裝及維修,並可在任意位置安裝
【工作原理】
氣動對夾蝶閥是以壓縮空氣0.4-0.7MPa的氣源為動力,驅動閥杆帶動帶碟板在閥體內做0-90度的旋轉,達到對蝶閥全開和全關的操作控製。氣動對夾蝶閥可根據工況要求,對執行器裝配閥門定位器,輸入4-20mA的相關信號,從而控製蝶閥碟板的開度大小,實現對管道中介質的壓力、流量、溫度、液位等參數的百分比精準調節。氣動對夾蝶閥不僅可用於工業自動控製係統中作就地控製,也可進行遠距離集中控製,是工業管道中應用優先選用的係統裝置之一。
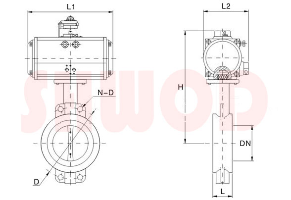
【外形尺寸】
氣動對夾蝶閥是以壓縮空氣0.4-0.7MPa的氣源為動力,驅動閥杆帶動帶碟板在閥體內做0-90度的旋轉,達到對蝶閥全開和全關的操作控製。氣動對夾蝶閥可根據工況要求,對執行器裝配閥門定位器,輸入4-20mA的相關信號,從而控製蝶閥碟板的開度大小,實現對管道中介質的壓力、流量、溫度、液位等參數的百分比精準調節。氣動對夾蝶閥不僅可用於工業自動控製係統中作就地控製,也可進行遠距離集中控製,是工業管道中應用優先選用的係統裝置之一。
【外形尺寸】

【友情提示】上海茄子视频色版自動化儀表有限公司專業生產銷售各類茄子网站下载APP蝶閥、茄子网站下载APP球閥、茄子网站下载APP閘閥等茄子网站下载APP閥門、茄子网站下载APP執行器、茄子成人短视频執行器、茄子成人短视频閥門、氣動閥門,上海茄子视频色版秉承“誠信為本,客戶至上”的企業宗旨,專業為您提供規格型號齊全、質量穩定、價格合理的氣動對夾蝶閥(不鏽鋼)產品,歡迎前來谘詢報價。
沒有了 | 氣動對夾蝶閥(球墨)