液動法蘭球閥
來源:上海茄子视频色版閥門科技有限公司 作者:茄子网站下载APP蝶閥球閥執行器廠家 點擊量:5206



品牌:上海茄子视频色版
驅動能源: 液動執行器
型號: FDQ係列
標準: 國標
壓力環境: 常壓
加工定製: 是
產品用途: 石油、化工、電力、能源、船舶、冶金、建材、造紙、鍋爐設備
驅動能源: 液動執行器
型號: FDQ係列
標準: 國標
壓力環境: 常壓
加工定製: 是
產品用途: 石油、化工、電力、能源、船舶、冶金、建材、造紙、鍋爐設備
聯係客服 13917586261
【產品概述】
液動法蘭球閥是一種轉角90°旋轉類球閥,密封性能優良,流通能力大,流阻係數小,結構簡單,維修方便,使用壽命長,閥體通道和連接管徑相等並成一直徑,介質幾乎可以毫無損失的流過,配用FDQ液動執行器,外形尺寸小,輸出扭矩大,產品通常用於密封要求嚴格的場合,除控製氣體、液體、蒸汽介質外,還適宜控製水含有纖維雜質的介質,廣泛應用於石油、化工、冶金、輕工、造紙、電站、製冷等工作領域。
【產品參數】
液動法蘭球閥執行器配置表
【性能特點】
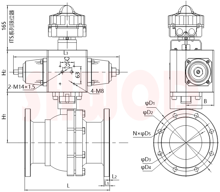
【外形尺寸】

PN16規格外形尺寸圖
【友情提示】上海茄子视频色版自動化儀表有限公司專業生產銷售各類茄子网站下载APP蝶閥、茄子网站下载APP球閥、茄子网站下载APP閘閥等茄子网站下载APP閥門、茄子网站下载APP執行器、茄子成人短视频執行器、茄子成人短视频閥門、氣動閥門,上海茄子视频色版秉承“誠信為本,客戶至上”的企業宗旨,專業為您提供規格型號齊全、質量穩定、價格合理的液動法蘭球閥產品,歡迎前來谘詢報價。
液動法蘭球閥執行器配置表
規格 | 執行器參考配置 | |||||
mm | in | PN16 | PN25 | PN40 | PN63 | PN100 |
DN15 | 1/2” | FDQ-40 | FDQ-40 | FDQ-40 | FDQ-40 | FDQ-40 |
DN20 | 3/4” | |||||
DN25 | 1” | |||||
DN32 | 1 1/4” | |||||
DN40 | 1 1/2” | |||||
DN50 | 2” | |||||
DN65 | 2 1/2” | FDQ-50 | ||||
DN80 | 3” | |||||
DN100 | 4” | FDQ-50 | FDQ-63 | |||
DN125 | 5” | FDQ-50 | FDQ-50 | FDQ-63 | ||
DN150 | 6” | FDQ-50 | FDQ-80 | |||
DN200 | 8” | FDQ-63 | FDQ-63 | FDQ-80 |
【性能特點】
1、流體阻力小,球閥是所有閥類中流體阻力小的一種,即使是縮徑球閥,其流體阻力也相當小。
2、止推軸軸承減少閥杆摩擦力矩,可使閥杆長期操作平衡靈活。
3、閥座密封性能好,采用聚四氟乙烯等材料製成的密封圈,結構易於密封,而且球閥的密封能力隨著介質壓力的增大而增大。
4、閥杆密封可靠,由於閥杆隻作旋轉運動而不做升降運動,閥杆的填料密封不易破壞,且密封能力隨介質的壓力增設而增大。
5、由於聚四氟乙烯等材料具有良好的自潤滑性,與球體的摩擦損失小,球閥的使用壽命更長。
2、止推軸軸承減少閥杆摩擦力矩,可使閥杆長期操作平衡靈活。
3、閥座密封性能好,采用聚四氟乙烯等材料製成的密封圈,結構易於密封,而且球閥的密封能力隨著介質壓力的增大而增大。
4、閥杆密封可靠,由於閥杆隻作旋轉運動而不做升降運動,閥杆的填料密封不易破壞,且密封能力隨介質的壓力增設而增大。
5、由於聚四氟乙烯等材料具有良好的自潤滑性,與球體的摩擦損失小,球閥的使用壽命更長。
【外形尺寸】

PN16規格外形尺寸圖
mm | in | φD1 | φD2 | φD3 | φD4 | N | φD5 | L | L1 | L2 | L3 | H1 | H2 | B |
DN15 | 1/2” | 95 | 65 | 15 | 46 | 4 | 14 | 130 | 14 | 2 | 290 | 48 | 110 | 115 |
DN20 | 3/4” | 105 | 75 | 20 | 56 | 130 | 16 | 53 | ||||||
DN25 | 1” | 115 | 85 | 25 | 65 | 140 | 63.5 | |||||||
DN32 | 1 1/4” | 140 | 100 | 32 | 76 | 165 | 18 | 72 | ||||||
DN40 | 1 1/2” | 150 | 110 | 40 | 84 | 165 | 77 | |||||||
DN50 | 2” | 165 | 125 | 50 | 99 | 203 | 20 | 85 | ||||||
DN65 | 2 1/2” | 185 | 145 | 65 | 118 | 222 | 106 | |||||||
DN80 | 3” | 200 | 160 | 80 | 132 | 8 | 18 | 241 | 121 | |||||
DN100 | 4” | 220 | 180 | 100 | 156 | 280 | 22 | 143 | ||||||
DN125 | 5” | 250 | 210 | 125 | 184 | 325 | 183 | |||||||
DN150 | 6” | 285 | 240 | 150 | 211 | 22 | 350 | 24 | 350 | 201 | 115 | 145 | ||
DN200 | 8” | 340 | 295 | 200 | 266 | 12 | 22 | 400 | 252 |
【友情提示】上海茄子视频色版自動化儀表有限公司專業生產銷售各類茄子网站下载APP蝶閥、茄子网站下载APP球閥、茄子网站下载APP閘閥等茄子网站下载APP閥門、茄子网站下载APP執行器、茄子成人短视频執行器、茄子成人短视频閥門、氣動閥門,上海茄子视频色版秉承“誠信為本,客戶至上”的企業宗旨,專業為您提供規格型號齊全、質量穩定、價格合理的液動法蘭球閥產品,歡迎前來谘詢報價。
【生產環境】
【性能特點】
1、采用齒輪齒條結構,可選單作用和雙作用,具有啟閉扭矩大、結構簡單可靠、體積小巧、運動平穩、輸出扭矩呈線性等特點;
2、耐腐蝕,閥門采用304或316不鏽鋼;
3、硬度高,能良好承受外界壓力。